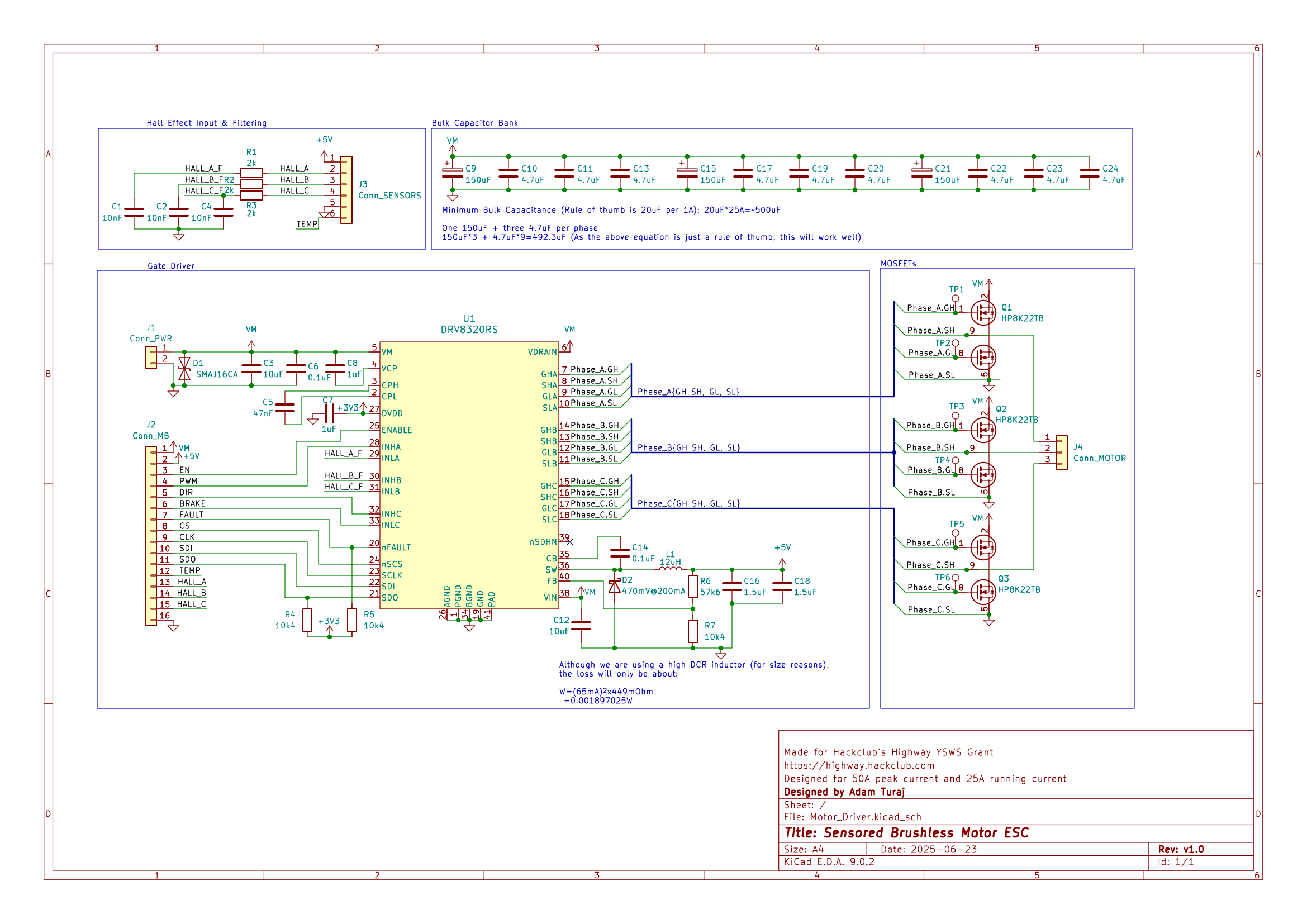
25A 8.4V Sensored BLDC Motor Driver (DRV8323 Based)
This ESC was originally designed for my AT25 project, but the project was discontinued due to time and budget constraints. The board itself is theoretically still fully functional (I have not physically tested it).
- Continuous Current: 25A
- Peak Current: 50A
- Input Voltage: 8.4V (2S Li-Po)
- Driver IC: TI DRV8323
- Control Mode: Single PWM mode (simplifies control, avoids heavy math)
The ESC is built around the DRV8323 gate driver IC, making use of its 1x PWM control mode for easier firmware integration.






