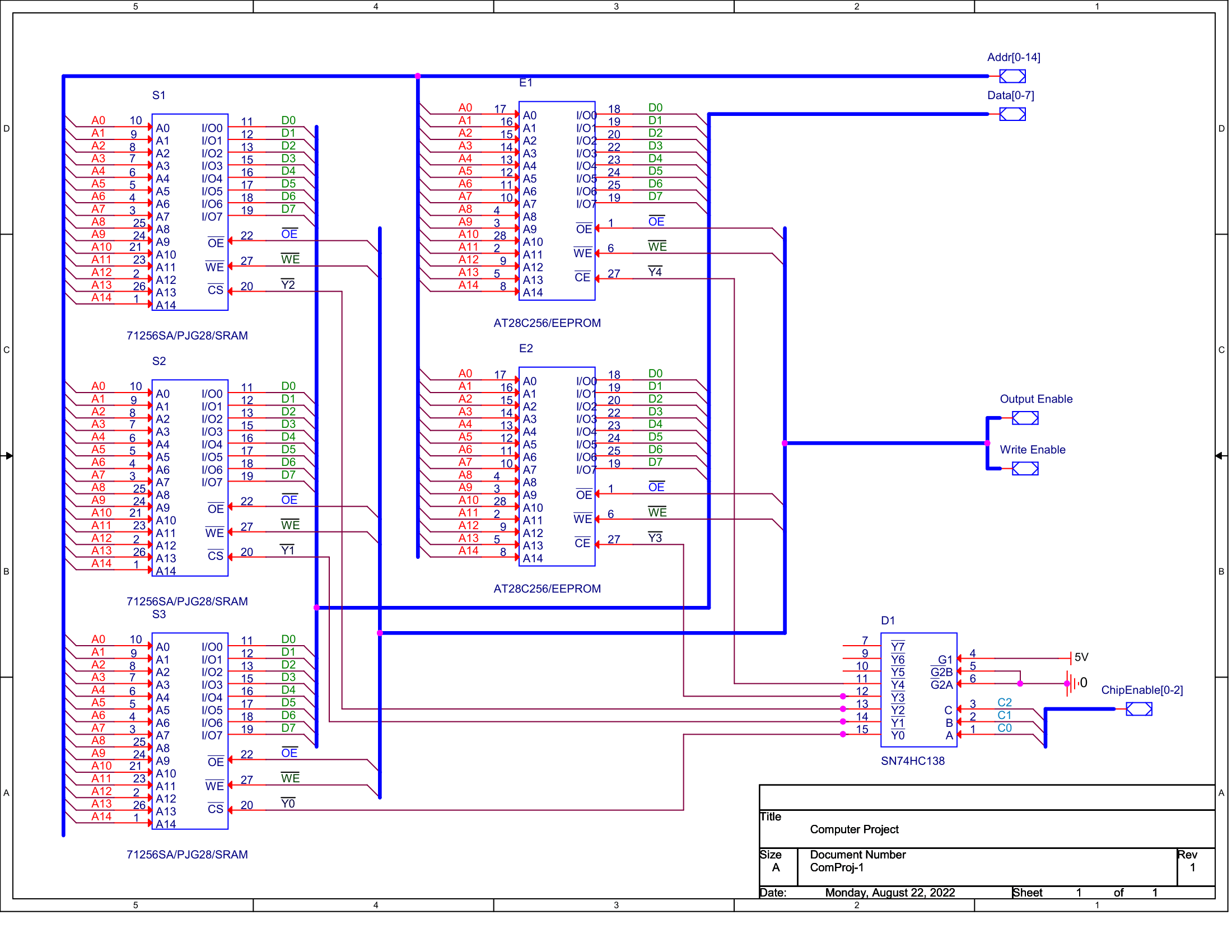
The goal of the project is to make a standalone computer out of an Arduino Mega. The parts used to complete this goal are a PS2 keyboard for input and a 4x20 LCD display for output. When the project is finished it will be a command line computer where you can edit files to write programs and store text. The programs will be stored on an EEPROM and the programs will be executed using external SRAM. The programming language used to write the files will be MIPS. The computer will also have debug features so you can single step your programs and show the state of registers and memory. The schematic below is the memory circuit.
Allotec/Computer-Project
Folders and files
| Name | Name | Last commit date | ||
|---|---|---|---|---|
